Логический модуль с дисплеем Siemens LOGO! 24

Характеристики модуля Siemens LOGO! 24 6ED1052-1CC00-0BA6:
- Питание: 12В;
- Дискретные входы: 8 (4 могут выполнять функции аналоговых);
- Дискретные выхода: 4 (отдача тока, транзисторные);
- Особенности памяти: 200 блоков;
- Дополнительные возможности: расширение функционального потенциала модулями ввода/вывода.
Цена: от 3 864 руб.
Общее описание
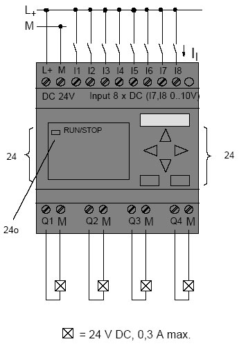
Устройство LOGO! 24:

- 1 - источник питания
- 2 - входы
- 3 - выходы
- 4 - гнездо под модуль, оснащенный крышкой
- 5 - панель, посредством которой реализуются опции управления
- 6 - дисплей
- 7 - разъем для кабеля типа LOGO!TD
- 8 - интерфейс расширения
- 9 – опции механического кодирования - гнёзда
Схема подключения и максимальная конфигурация LOGO!24

Оборудование поддерживает 24 цифровых входов, 8 аналоговых входов, а также 16 цифровых и 2 аналоговых выхода. Для достижения параметров, характерных для максимальной конфигурации, используют нижеприведенную методику:
- Максимальная конфигурация с аналоговыми входами – 4входа (LOGO!12/24RC/RCo и LOGO!24/24o)

-
Максимальная конфигурация модулей LOGO! с аналоговыми входами (используется 2 входа (LOGO! 12/24 RC/RCo и LOGO !24/24o).

Специфика монтажа модуля LOGO!24


Поэтапный монтаж на DIN-рейку:
- 1. На первом этапе осуществления монтажных работ следует навесить модуль Siemens LOGO! 24 на рейку;
- 2. Путем нажимания на нижнюю часть, срабатывает специальная защелка модуля, выполняется надежная его фиксация (защелка расположена на задней части прибора);
- 3. С правой стороны модуля находится крышка разъема, которую необходимо снять;
- 4. С правой стороны от LOGO!Basic помещается модуль на DIN-рейку;
- 5. Перемещаем модуль в левую сторону таким образом, чтобы последний контактировал с LOGO!Basic;
- 6. Посредством отвертки защелка отодвигается влево, после чего она должна занять крайнее левое положение.
Монтаж дополнительного оборудования выполняется путем поэтапного повторения всех пунктов, относящихся к монтажу цифрового модуля.
Поэтапный монтаж на стену:
Аккуратно переместите монтажные защелки наружу, как правило, они расположены на задней стенки устройства. Непосредственно монтаж модуля выполняется при помощи двух монтажных защелок и двух винтов ØM4 (момент затяжки 0,8-1,2Нм).
Технические характеристики LOGO!24:
| Источник питания: | |
|---|---|
| Параметры входного напряжения | 24В (ток постоянный) |
| Допустимый диапазон | 20.4 ... 28,8В (ток постоянный) |
| Защита от обратной полярности | Присутсвует |
| Потребление тока - 24В (ток постоянный) | 0 ... 75мА; 0,3А на выход |
| Потери мощности - 24В (ток постоянный) | 1.0 ... 1,8Вт |
| Цифровые входы: | |
| Количество входов | 8 |
| Потенциальная развязка | Нет |
| Количество быстродействующих входов | 4 (I3, I4, I5, I6) |
| Параметры входной частоты: Нормальный вход Быстродействующий вход | макс. 4Гц макс. 5кГц |
| Параметры входного напряжения L+: Сигнал 0 Сигнал 1 | < 5В (ток постоянный) > 12В (ток постоянный) |
| Входной ток при условии: 1) сигнале 0 2) сигнале 1 |
1) <0,85 мА (I1...I6) < 0,05мА (I1, I2, I7, I8) 2) >2 мА (I3... I6) > 0,15мА (I1, I2, I7, I8) |
| Время задержки при: переходе от 0 к 1 переходе от 1 к 0 | тип. 1,5 мс <1,0 мс (I3 ... I6) тип. 1,5 мс <1,0 мс (I3 ... I6 |
| Аналоговые входы: | |
| Количество | 2 (I7 = AI1, I8 = AI2) |
| Диапазон | 0 ... 10В (ток постоянный) входной импеданс 78 кОм |
| Время цикла, за которое происходит формирования аналоговых значений | 300мс |
| Входное напряжение (max) | 28,8В (ток постоянный) |
| Длина линии (экранированная витая пара) | 10м |
| Цифровые выходы: | |
| Количество | 4 |
| Характеристика выходов | Транзисторный, с включением на фазу |
| Потенциальная развязка | нет |
| Управление цифровым входом | да |
| Выходное напряжение | Питающее |
| Выходной ток | 0,3A (max) |
| Устойчивость к коротким замыканиям и перегрузкам | Высокая эффективность |
| Ограничение тока короткого замыкания | ок. 1A |
| Понижение номинала | нет; во всем диапазоне температур |
| Параллельное включение выходов для увеличения мощности | Не допускается |
| Частота включений: | |
| электрическая | 10Гц |
| омическая/ламповая нагрузка | 10Гц |
| индуктивная нагрузка | 0,5Гц |