info@mehprivod.ru
ООО Мехтехника
Тел.: 8 (800) 505-36-88

Логический модуль Siemens LOGO! 230RCо

Логический модуль Siemens LOGO! 230RCо

Логические модули Siemens LOGO! 230RCо 6ED1052-2FB00-0BA6:

  • Характеристики питания: ~=115…240В;
  • Дискретные входы: 8;
  • Дискретные выхода: 4 (нормально разомкунутые реле);
  • Особенности памяти: 200 блоков;
  • Дополнительные возможности: расширение функционального потенциала модулями ввода/вывода.

Цена: от 3 570 руб.

Общее описание

Устройство модуля LOGO!230RCо

  • 1 - источник питания
  • 2 - входы
  • 3 - выходы
  • 4 - Индикатор RUN/STOP
  • 5 - специальная защелка
  • 6 - интерфейс расширения
  • 7 - штифты механической кодировки
  • 8 – опции механического кодирования - гнёзда

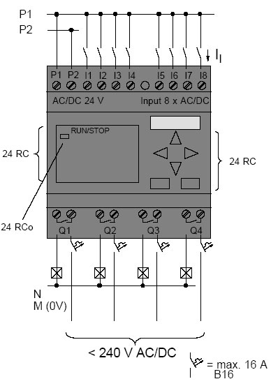
Особенности схемы подключения и максимальной конфигурации LOGO!230RCо

Схема подключения LOGO!230RCо

Оборудование 6ED1052-2FB00-0BA6 поддерживает 24 цифровых входов, 8 аналоговых входов, а также 16 цифровых и 2 аналоговых выхода. Для достижения параметров, характерных для максимальной конфигурации, используют нижеприведенную методику:

  • Максимальная конфигурация модулей данного класса LOGO! без аналоговых входов (LOGO! 24RC/RCo, а также LOGO! 230 RC/RCo)

Максимальная конфигурация модулей LOGO!230RCо

Специфика монтажа модуля LOGO!230RCо

Специфика монтажа модуля LOGO!230RC

Поэтапный монтаж на DIN-рейку:

1. На первом этапе осуществления монтажных работ следует навесить модуль на рейку;
2. Путем нажимания на нижнюю часть, срабатывает специальная защелка модуля, выполняется надежная его фиксация (защелка расположена на задней части прибора);
3. С правой стороны модуля находится крышка разъема, которую необходимо снять;
4. С правой стороны от LOGO!Basic помещается модуль на DIN-рейку;
5. Перемещаем модуль в левую сторону таким образом, чтобы последний контактировал с LOGO!Basic;
6. Посредством отвертки защелка отодвигается влево, после чего она должна занять крайнее левое положение.

Монтаж дополнительного оборудования выполняется путем поэтапного повторения всех пунктов, относящихся к монтажу цифрового модуля.

Поэтапный монтаж на стену:

Аккуратно переместите монтажные защелки наружу, как правило, они расположены на задней стенки устройства. Непосредственно монтаж модуля выполняется при помощи двух монтажных защелок и двух винтов ØM4 (момент затяжки 0,8-1,2Нм).

Технические характеристики LOGO!230RCо:

Блок питания:

Входное напряжение

115...240В постоянный/переменный ток

Допустимый диапазон

85...265В перем.тока
100...253В пост.тока

Допустимая частота сети

47...63Гц

Потребление тока
• 115В перем. тока
• 240В перем. тока
• 115В пост. тока
• 240В пост. тока

10…40мА
10... 25мА
5...25мА
5...15мА

Буферизация исчезновения напряжения
• 115В перем./пост.тока
• 240В перем./пост.тока

тип. 10мс
тип. 20мс

Мощность потерь при
• 115 В перем. тока
• 240 В перем. тока
• 115 В пост. тока
• 240 В пост. тока

1,1...4,6Вт
2,4...6,0Вт
0,5...2,9Вт
1,2...3,6Вт

Буферизация часов в условиях 25°C

тип. 80час.

Точность опции часов реального времени

тип. ±2 с/день

Цифровые входы:

Количество

8

Потенциальная развязка

Нет

Входное напряжение L1
• Сигнал 0
• Сигнал 1
• Сигнал 0
• Сигнал 1

< 40В перем. ток
> 79В перем. ток
< 30В пост. ток
> 79В пост. ток

Входной ток при
• сигнале 0
• сигнале 1

< 0,03мА
> 0,08мА

Время задержки при
• переходе с 0 на 1
• переходе с 1 на 0

тип. 50мс
тип. 50мс

Длина линии (неэкранированной)

100м

Цифровые выходы:

Количество

4

Тип выходов

Релейные выходы

Потенциальная развязка

да

Группами по

1

Управление цифровым входом

да

Длительный ток Ith

10A на реле (max)

Нагрузка из ламп накаливания (25 000 циклов переключения) при:
230/240В перем. ток
115/120В перем. ток

1000Вт
500Вт

Люминесцентные лампы с дросселем (25000 циклов переключения)

10 x 58Вт (при 230/240В перем. ток)

Люминесцентные лампы с обычной компенсацией
(25000 циклов переключения)

1 x 58Вт (при 230/240В перем. ток)

Люминесцентные лампы, некомпенсированные (25000 циклов переключения)

10 x 58 Вт (при 230/240В перем. ток)

Устойчивость к коротким замыканиям при cos = 1

Защита по питанию B16 600A

Устойчивость к коротким замыканиям при cos  от 0,5 до 0,7

Защита по питанию B16 900A

Понижение номинала

нет; во всем диапазоне температур

Параллельное включение выходов для увеличения мощности

Не допускается

Защита выходного реле (если желательна)

макс. 16A, характеристика B16

Частота включений:

механическая

10Гц

омическая/ламповая нагрузка

2Гц

индуктивная нагрузка

0,5Гц